
Description
This Yale YS170 series genuine gearbox suits YS170 and Yale Doormaster multipoint locks available in 35mm and 45mm backsets. The lock features a latch and hook bolt.
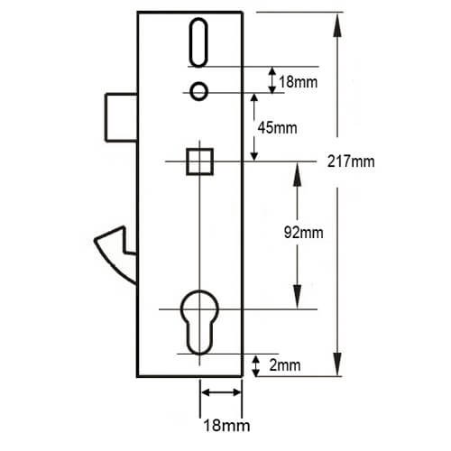
YS170 gearboxes measure 217mm high by backset +18mm wide. The latch is 28mm high and there is 52mm from the bottom of the latch to the top of the hook. The hook measures 28mm high.
It's worth noting that the latch reversal instructions for a YS170 lock are printed on a sticker on the side of the gearbox.
We stock a range of associated products for Yale YS170 gearboxes, including multipoint door locks, keeps, spindles, handles and accessories.
Operation: Lift lever or split spindle
Latch reversal: Push up the serrated button on the side of the case, remove the latch, reverse, and reinsert.
To lock the door
1. On closing the door, the latch is automatically engaged.
2. Lift the handle up to engage the additional locking points.
3. Throw the deadbolt and lock the system by turning the key (on some brands, the deadbolt will be thrown by lifting the handle).
To unlock the door
1. Unlock the system by turning the key.
2. Push the handle downwards to disengage the locking points.
3. A further quarter turn of the key will retract the latch.
Additional information
| Backset | 35mm, 45mm |
|---|---|
| centres-pz | 92mm |
| spindle | split-8mm |














There are no reviews yet.